广西柳州柳江区人民政府门户网站! 今日是:
模式切换

柳江区殡仪服务站业务楼、仓库项目竣工规划核实结果公示

来源: 柳江区住房和城乡建设局  |   发布日期: 2024-11-18 15:45   

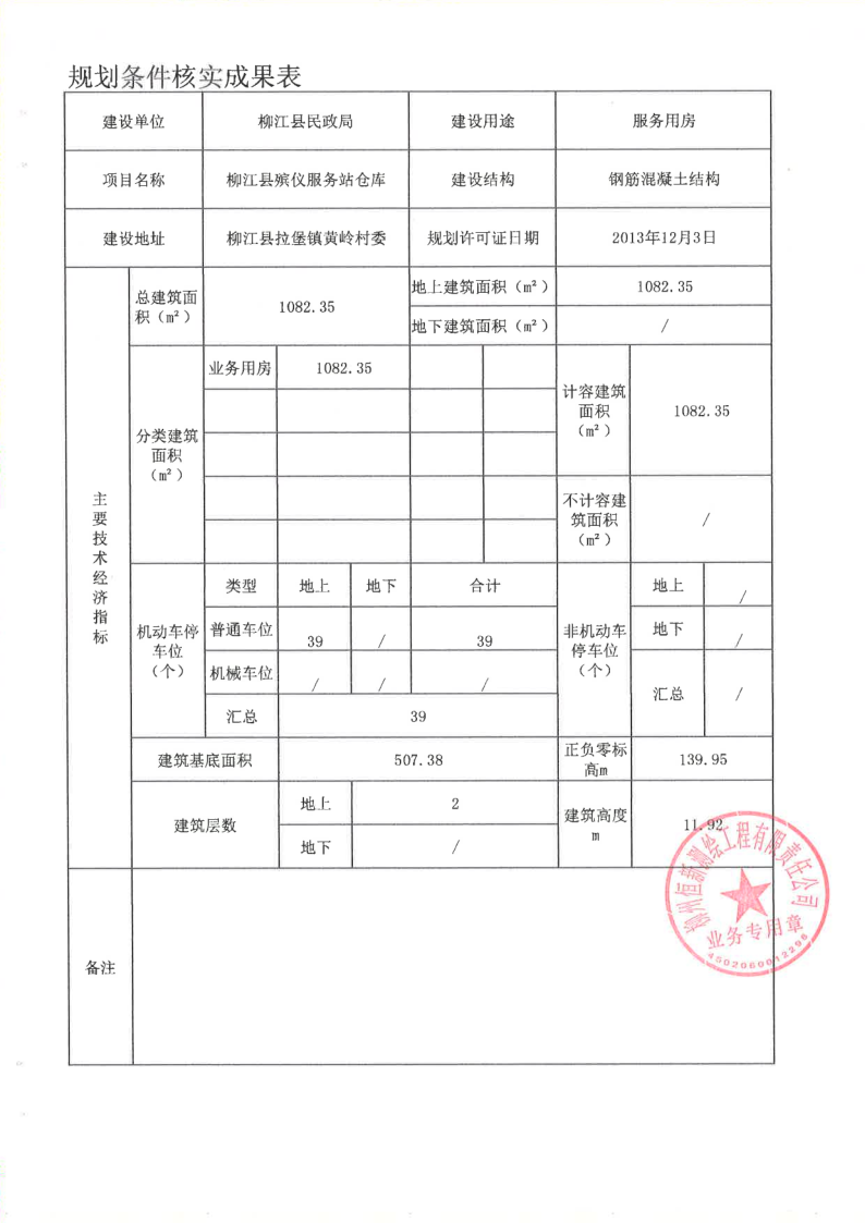
柳江殡葬管理所向我局申请位于柳江区拉堡镇黄岭村委铜鼓岭竹头凹地柳江区殡仪服务站业务楼、仓库项目进行竣工规划核实现将该项目有关情况公示如下:

项目已建设完成,依据柳州恒新测绘工程有限责任公司201813日实测报告,柳江区殡仪服务站业务楼地上建筑面积为683.75仓库地上建筑面积为1082.35机动车位39个。

根据《中华人民共和国城乡规划法》和《广西壮族自治区实施〈中华人民共和国城乡规划法〉办法》,将按照相关审批程序进行竣工规划验收,将审批结果进行公示

                  柳州市柳江区住房和城乡建设局

                       20241118     


×
×
项目竣工
柳江区殡仪服务站业务楼、仓库项目竣工规划核实结果公示

来源: 柳江区住房和城乡建设局  |   发布日期: 2024-11-18 15:45   

柳江殡葬管理所向我局申请位于柳江区拉堡镇黄岭村委铜鼓岭竹头凹地柳江区殡仪服务站业务楼、仓库项目进行竣工规划核实现将该项目有关情况公示如下:

项目已建设完成,依据柳州恒新测绘工程有限责任公司201813日实测报告,柳江区殡仪服务站业务楼地上建筑面积为683.75仓库地上建筑面积为1082.35机动车位39个。

根据《中华人民共和国城乡规划法》和《广西壮族自治区实施〈中华人民共和国城乡规划法〉办法》,将按照相关审批程序进行竣工规划验收,将审批结果进行公示

                  柳州市柳江区住房和城乡建设局

                       20241118